The website doesn't support your browser. Please update your browser or download a different one
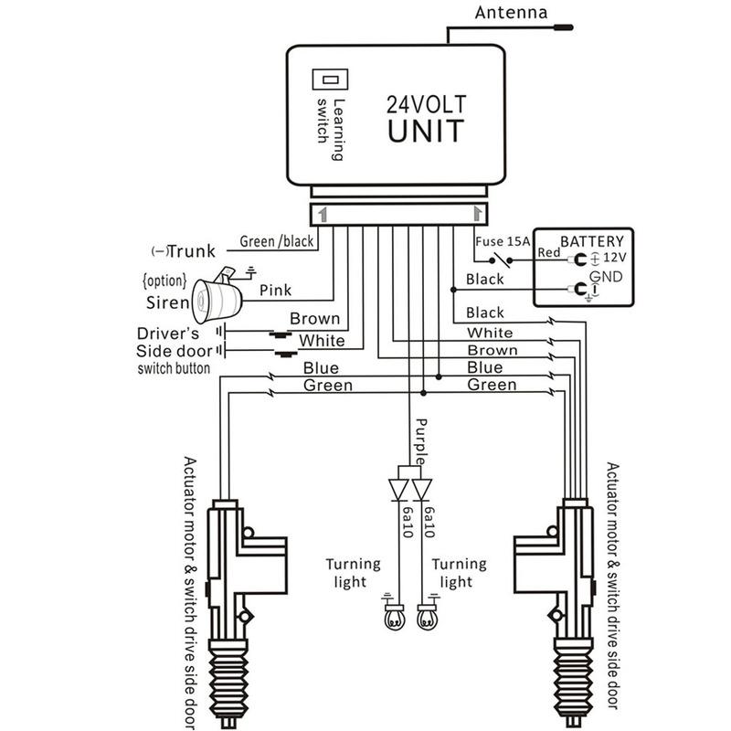
24V DC Car Alarm Remote Control Central Locking Anti-theft Device -Door 2-Futtons Car Security Device Kit For Truck
Current price
Price €99VAT included
Delivering across 🇫🇮 Finland
6–12 business days · 4 € per order
Your payments and privacy are safe








Safety & compliance
Description

3664647Sere
Similar products




















